మాకు ఇమెయిల్ చేయండి
ఉత్పత్తులు
ఉత్పత్తులు
ఫా ఫ్లేంజ్ మౌంట్
  • ఫా ఫ్లేంజ్ మౌంట్ఫా ఫ్లేంజ్ మౌంట్

ఫా ఫ్లేంజ్ మౌంట్

Model:FA63
ఓల్క్ న్యూమాటిక్ మా ఫ్యాక్టరీ నుండి టోకు ఫా ఫ్లేంజ్ మౌంట్‌కు మిమ్మల్ని హృదయపూర్వకంగా స్వాగతించండి. మా ఉత్పత్తులు CE ధృవీకరించబడ్డాయి మరియు ప్రస్తుతం పెద్ద మొత్తంలో ఫ్యాక్టరీ జాబితాను కలిగి ఉన్నాయి. మేము మీకు మంచి సేవ మరియు ఫ్యాక్టరీ రాయితీ ధరలను అందిస్తాము.

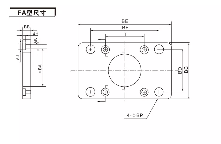
FA ఫ్లేంజ్ మౌంట్ అనేది ఎస్సీ సిరీస్ ప్రామాణిక న్యూమాటిక్ సిలిండర్ల కోసం ఉపయోగించే ఫ్రంట్ మౌంటు బ్రాకెట్. ఫిక్స్ సిలిండర్ బాడీ, తద్వారా లోడ్ యొక్క కదలిక మరియు పిస్టన్ యొక్క కదలిక దిశ ఒకే అక్షం లేదా సమాంతరంగా ఉంటాయి.

FA ఫ్లేంజ్ మౌంట్ అనేది మౌంటు రంధ్రాలతో ఒక నల్ల దీర్ఘచతురస్రం ఫ్లాట్, SC సిరీస్ న్యూమాటిక్ సిలిండర్‌ను రాడ్ కాని చివర నుండి యంత్రం మరియు ఉపరితలానికి సురక్షితంగా పరిష్కరించడానికి అనుమతిస్తుంది. ఇది ISO 15552 లేదా ISO 6431 సిలిండర్ మౌంటు ప్రమాణాలకు అనుగుణంగా ఉంటుంది. కన్సేటెంట్ సైజ్ హోల్ స్థానం, కాంపాక్ట్ స్ట్రక్చర్ మరియు కాంబినేషన్.


అప్లికేషన్: ఫ్రంట్ ఎండ్ వద్ద బ్రాకెట్లు లేదా రోబోటిక్ చేతులతో పరికరాలను వ్యవస్థాపించడానికి FA- ఫ్రంట్ ఫ్లేంజ్ సిలిండర్ బ్రాకెట్ యొక్క అనుకూలత కారణంగా, మరియు సాధారణంగా ఆటోమేటిక్ మెషీన్ల యొక్క సంస్థాపనా రంధ్రాల వలె అదే విమానంలో. కాబట్టి ఈ క్రింది విధంగా అనేక విలక్షణ అనువర్తన దృశ్యాలు ఉన్నాయి

ప్యాకేజింగ్ యంత్రాలు: ఖచ్చితమైన స్ట్రోక్ నియంత్రణతో స్థిర-స్థానం సరళ కదలికలు.

ఆటోమేషన్ పరికరాలు: నిలువు లేదా క్షితిజ సమాంతర స్థానాల్లో సిలిండర్లకు స్థిరమైన మౌంటు.

మెటీరియల్ హ్యాండ్లింగ్: సిలిండర్‌ను సురక్షితంగా బోల్ట్ చేయాల్సిన ఫిక్చర్‌లలో ఉపయోగిస్తారు.

మ్యాచింగ్ స్టేషన్లు: సున్నా పార్శ్వ కదలిక అవసరమయ్యే చర్యలను నొక్కడం, నెట్టడం లేదా బిగించడం కోసం.

పరీక్ష రిగ్స్ మరియు కంట్రోల్ యూనిట్లను పరీక్షించండి: ఇక్కడ పునరావృతం కోసం దృ sis మైన సిలిండర్ పొజిషనింగ్ అవసరం.


ఎస్సీ

63

X

50

-

S

-

FA

ఎస్సీ

బోర్ పరిమాణం

 

స్ట్రోక్

 

S  మాగ్నెటిక్

 

FA: సిలిండర్ హెడ్ విత్ఫా ఫ్లేంజ్ మౌంట్

 

 

 

 

 

ఖాళీ: నాన్

 



ఫా ఫ్లేంజ్ మౌంట్ సైజు:

సంకేత / బోర్ వ్యాసం

32

40

50

63

80

100

125

160

200

బా

28.3

32.3

38.3

38.3

47.3

47.3

60.3

65.3

75.3

బిబి

10

10

10

12

16

16

20

20

25

BC

47

52

65

76

95

115

140

180

220

BD

33

36

47

56

70

84

90

115

135

ఉండండి

72

84

104

116

143

162

224

280

320

బిఎఫ్

58

70

86

98

119

138

180

230

270

బిహెచ్

6.5

6.5

6.5

8.5

10.5

10.5

8

8

12

Aj

10.5

10.5

10.5

13.5

16.6

16.6

19

25

25

మరియు

6.5

6.5

6.5

8.5

10.5

10.5

13

17

17

బిపి

7

7

9

9

11

11

16

18

22

T

33

37

47

56

70

84

110

140

175


తరచుగా అడిగే ప్రశ్నలు:

FA ఫ్రంట్ ఫ్లేంజ్ సిలిండర్ బ్రాకెట్‌ను ఉపయోగం కోసం ఇతర సిలిండర్లతో సరిపోల్చవచ్చా?

వేర్వేరు సిలిండర్ల యొక్క సంస్థాపనా రంధ్రాలు వేర్వేరు స్థానాలను కలిగి ఉంటాయి మరియు సరిపోయే FA ఫ్లాంజ్ ప్లేట్లు ఉపయోగించాలి. ఈ FA సిరీస్ ఫ్లేంజ్ ప్లేట్‌ను ఎస్సీ సిరీస్ ప్రామాణిక సిలిండర్లతో మాత్రమే ఉపయోగించవచ్చు.


ఓల్క్ ఫా ఫ్లేంజ్ మౌంట్ మరియు ఎఫ్‌బి వెనుక అంచుతో భిన్నంగా ఉంటుంది

FA ఫ్రంట్ ఫ్లేంజ్: సిలిండర్ యొక్క ఫ్రంట్ ఎండ్‌ను పరికరాలకు కనెక్ట్ చేయండి, పిస్టన్ రాడ్ సంస్థాపన సమయంలో బాహ్యంగా ఎదురుగా ఉంటుంది. ఫ్రంట్-ఎండ్ మరియు లోడ్ పుష్ దృశ్యాలలో సాధారణంగా ఉపయోగిస్తారు.


FB వెనుక అంచు: సిలిండర్ యొక్క వెనుక చివరను పరికరాలకు కనెక్ట్ చేయండి మరియు బ్రాకెట్ వెనుక సిలిండర్ శరీరాన్ని దాచండి. సిలిండర్ శరీరాన్ని పరిష్కరించాల్సిన మరియు దాని స్థానం నిర్వహించాల్సిన పరిస్థితులకు అనువైనది.


హాట్ ట్యాగ్‌లు: FA ఫ్లేంజ్ మౌంట్, చైనా, తయారీదారు, సరఫరాదారు, ఫ్యాక్టరీ
విచారణ పంపండి
సంప్రదింపు సమాచారం
  • చిరునామా

    జెంగ్టాయ్ రోడ్, జింగ్‌ంగాంగ్ ఇండస్ట్రియల్ జోన్, లియుషి, యుకింగ్, వెన్జౌ, జెజియాంగ్, చైనా.

  • ఇ-మెయిల్

    cici@olkptc.com

మా వెబ్‌సైట్‌కి స్వాగతం! మా ఉత్పత్తులు లేదా ధరల జాబితా గురించి విచారణల కోసం, దయచేసి మీ ఇమెయిల్‌ను మాకు పంపండి మరియు మేము 24 గంటలలోపు సంప్రదిస్తాము.
వార్తల సిఫార్సులు
ఇ-మెయిల్
cici@olkptc.com
మొబైల్
+86-13736765213
చిరునామా
జెంగ్టాయ్ రోడ్, జింగ్‌ంగాంగ్ ఇండస్ట్రియల్ జోన్, లియుషి, యుకింగ్, వెన్జౌ, జెజియాంగ్, చైనా.
X
మీకు మెరుగైన బ్రౌజింగ్ అనుభవాన్ని అందించడానికి, సైట్ ట్రాఫిక్‌ను విశ్లేషించడానికి మరియు కంటెంట్‌ను వ్యక్తిగతీకరించడానికి మేము కుక్కీలను ఉపయోగిస్తాము. ఈ సైట్‌ని ఉపయోగించడం ద్వారా, మీరు మా కుక్కీల వినియోగానికి అంగీకరిస్తున్నారు. గోప్యతా విధానం
తిరస్కరించు అంగీకరించు