మాకు ఇమెయిల్ చేయండి
ఉత్పత్తులు
ఉత్పత్తులు
ఇది న్యూమాటిక్ టోగుల్ కవాటము
  • ఇది న్యూమాటిక్ టోగుల్ కవాటముఇది న్యూమాటిక్ టోగుల్ కవాటము

ఇది న్యూమాటిక్ టోగుల్ కవాటము

ప్రొఫెషనల్ తయారీగా, OLK మీకు TAC న్యూమాటిక్ టోగుల్ వాల్వ్‌ను అందించాలనుకుంటుంది. మరియు ఓల్క్ మీకు ఉత్తమ అమ్మకపు సేవ మరియు సకాలంలో డెలివరీని అందిస్తుంది.

TAC న్యూమాటిక్ టోగుల్ వాల్వ్ (స్విచ్ వాల్వ్ అని కూడా పిలుస్తారు) అనేది న్యూమాటిక్ సిస్టమ్స్ మరియు ద్రవ నియంత్రణ కోసం ప్రత్యేకంగా రూపొందించిన ఖచ్చితమైన స్విచింగ్ భాగం. దాని ప్రత్యేకమైన టోగుల్-రకం నియంత్రణ నిర్మాణంతో, ఇది వేగంగా మారే మరియు ద్రవ మార్గాల యొక్క ఖచ్చితమైన నియంత్రణను సాధిస్తుంది.

TAC సిరీస్ టోగుల్ వాల్వ్ 2 స్థానం 2 మార్గం, 2 స్థానం 3 వే మరియు 2 స్థానం 5 మార్గాన్ని ఎంచుకోవచ్చు. వివిధ లివర్ రకం మరియు రెండు రకాల థ్రెడ్: M5, G1/8.

అప్లికేషన్ దృశ్యాలు

పారిశ్రామిక ఆటోమేషన్ పరికరాలు, మెకానికల్ ప్రాసెసింగ్, బిల్డింగ్ మెటీరియల్స్ ప్రాసెసింగ్, ఎనర్జీ అండ్ మైనింగ్, ఫుడ్ అండ్ పానీయాల పరిశ్రమ, వైద్య పరికరాలు మొదలైనవి.

ఉత్పత్తి లక్షణాలు

ఇది పరిమాణంలో చిన్నది, తక్కువ సంస్థాపనా స్థలం అవసరం మరియు మానవీయంగా పనిచేయడానికి సహజమైనది, ఇది తరచూ మారడం అవసరమయ్యే దృశ్యాలకు అనుకూలంగా ఉంటుంది.

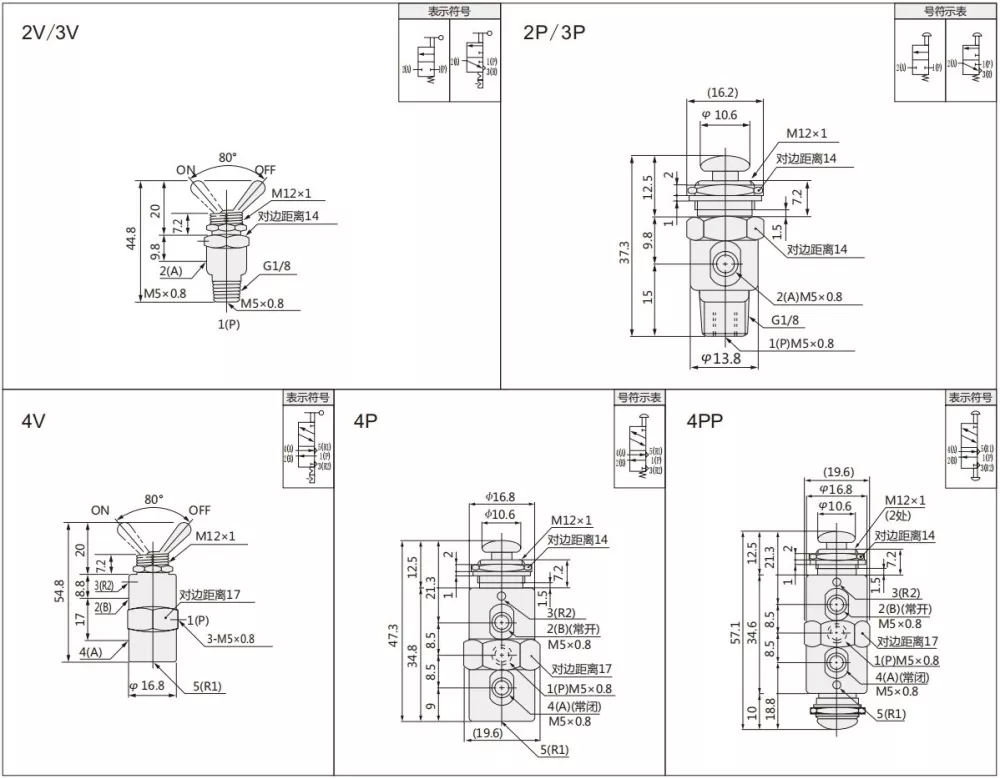
TAC టోగుల్ వాల్వ్ చిహ్నం మరియు రూపురేఖలు

ఒడరింగ్ కోడ్

టాక్

2

__

2

P

 

 

 

 

 

త్రికానిధి

 

 

2: 2 స్థానం 2 మార్గం (M5)

పి: పుష్-పుల్ బటన్ రకం

 

 

 

3: 2 స్థానం 3 మార్గం (M5)

V: హ్యాండ్ లివర్ రకం

 

 

 

4: 2 పౌషన్ 5 మార్గం (M5)

పిపి: డబుల్ పుష్-పుల్ బటన్

 

 

 

31: 2 స్థానం 3 మార్గం (G1/8)

 

 

 

 

41: 2 పావిషన్ 5 వే (జి 1/8)

 

 

మోడల్

పోర్ట్ పరిమాణం

 

సంఖ్య
స్థానం

ప్రభావవంతమైనది  
క్రాస్ సెక్షనల్ ప్రాంతం

పీడన పరిధి

పని ద్రవం

పరిసర
ఉష్ణోగ్రత

 

TAC-2V

Inlet = outlet = m5   

2 స్థానం 2 మార్గం

1.9 మిమీ

0.05 ~ 0.9ppa

గాలి

0 ~ 60

TAC-2P

Inlet = outlet = m5   

2 స్థానం 2 మార్గం

1.9 మిమీ

TAC-3V

Inlet = outlet = m5   

2 స్థానం 3 మార్గం

1.9 మిమీ

TAC-3P

Inlet = outlet = m5   

2 స్థానం 3 మార్గం

1.9 మిమీ

TAC-4V

Inlet = outlet = m5   

2 స్థానం 5 మార్గం

1.9 మిమీ

TAC-4P

Inlet = outlet = m5   

2 స్థానం 5 మార్గం

1.9 మిమీ

4 పిపి

G1/8

 

2 స్థానం 5 మార్గం

4.5 మిమీ

TAC2-31V

Inlet = outlet = ఎగ్జాస్ట్ = g1/8   

2 స్థానం 3 మార్గం

4.5 మిమీ

TAC2-31P

Inlet = outlet = ఎగ్జాస్ట్ = g1/8   

2 స్థానం 3 మార్గం

4.5 మిమీ

TAC2-41V

Inlet = outlet = G1/8 ఎగ్జాస్ట్ = M5

2 స్థానం 5 మార్గం

4.5 మిమీ

TAC2-41P

Inlet = outlet = G1/8 ఎగ్జాస్ట్ = M5

2 స్థానం 5 మార్గం

4.5 మిమీ

TAC2-41PP

Inlet = outlet = G1/8 ఎగ్జాస్ట్ = M5

2 స్థానం 5 మార్గం

4.5 మిమీ

తరచుగా అడిగే ప్రశ్నలు:

టోగుల్ వాల్వ్ మరియు మెకానికల్ వాల్వ్ మధ్య తేడా ఏమిటి?

నియంత్రణ రకం ద్వారా ఇది టోగుల్ వాల్వ్ మరియు మెకానికల్ వాల్వ్‌ను వేరు చేయవచ్చు: టోగుల్ వాల్వ్ పైన్ లివర్ హోల్డింగ్ రకం, మెకానికల్ వాల్వ్ పుష్-పుల్ బటన్ రకం లేదా రోలర్ రకం

 

టోగుల్ వాల్వ్ మరియు ఇతర కవాటాల మధ్య తేడా ఏమిటి?

ఖచ్చితమైన నియంత్రణ: టోగుల్ కవాటాలు శంఖాకార వాల్వ్ కోర్ ద్వారా చక్కటి ప్రవాహ నియంత్రణను సాధిస్తాయి, ఇది చిన్న-వ్యాసం కలిగిన పైప్‌లైన్‌లలో ఖచ్చితమైన నియంత్రణకు అనుకూలంగా ఉంటుంది, అయితే బంతి కవాటాలు శీఘ్ర తెరవడం మరియు ముగింపు కార్యకలాపాలకు మరింత అనుకూలంగా ఉంటాయి.

హాట్ ట్యాగ్‌లు: TAC న్యూమాటిక్ టోగుల్ వాల్వ్, చైనా, తయారీదారు, సరఫరాదారు, కర్మాగారం
విచారణ పంపండి
సంప్రదింపు సమాచారం
  • చిరునామా

    జెంగ్టాయ్ రోడ్, జింగ్‌ంగాంగ్ ఇండస్ట్రియల్ జోన్, లియుషి, యుకింగ్, వెన్జౌ, జెజియాంగ్, చైనా.

  • ఇ-మెయిల్

    cici@olkptc.com

మా వెబ్‌సైట్‌కి స్వాగతం! మా ఉత్పత్తులు లేదా ధరల జాబితా గురించి విచారణల కోసం, దయచేసి మీ ఇమెయిల్‌ను మాకు పంపండి మరియు మేము 24 గంటలలోపు సంప్రదిస్తాము.
ఇ-మెయిల్
cici@olkptc.com
మొబైల్
+86-13736765213
చిరునామా
జెంగ్టాయ్ రోడ్, జింగ్‌ంగాంగ్ ఇండస్ట్రియల్ జోన్, లియుషి, యుకింగ్, వెన్జౌ, జెజియాంగ్, చైనా.
X
మీకు మెరుగైన బ్రౌజింగ్ అనుభవాన్ని అందించడానికి, సైట్ ట్రాఫిక్‌ను విశ్లేషించడానికి మరియు కంటెంట్‌ను వ్యక్తిగతీకరించడానికి మేము కుక్కీలను ఉపయోగిస్తాము. ఈ సైట్‌ని ఉపయోగించడం ద్వారా, మీరు మా కుక్కీల వినియోగానికి అంగీకరిస్తున్నారు. గోప్యతా విధానం
తిరస్కరించు అంగీకరించు